| Contact Us For Quotation | Email: 464560351@qq.com | Whatsapp&Wechat:+8618620373879 |
Xtester-Shenghao SH-GS3A4/E4/B4 Slot Type Photoelectronic Switch for elevator
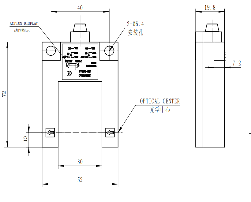
Technical Speicification
model | SH-GS3A4 | circuit protection | Reverse connection protection of power supply, output over voltage overcurrent protection, output short circuit protection circuit (20S) |
supply voltage | DC12~30V±10% | detection mode | To shoot type |
Consumption of current | ≤40mA | Detection distance | 30mm |
Light source properties | IR light diode (940nm) | Detection of objects | > φ 1.5mm of opaque objects |
Detection channel | single channel | response frequency | >1KHz(<1ms) |
pilot lamp | Power supply indicator light: green LED Action indicator light: red LED | Control output | Load voltage Max: 30V; single-way drive current Max: 100 mA; residual voltage Max:0.6V |
Pressure resistance value | 500VAC 50/60Hz 1min | Insulation resistance | Min:20MΩ(500VDC) |
Ambient light | Incandescent lamp: 4000 Lux; sunlight: 100000 Lux, sunlight can not directly hit the light surface. | Anti vibration | 10-55 Hz down amplitude 1.5 mm X, Y, Z direction for 2 hours each |
ambient temperature | Work: -25℃ ~75℃; storage: -30℃ ~80℃ | shock resistance | 500 m/s2 X, Y, Z direction three times |
ambient humidity | Work: 35 ~ 80% RH; Storage: 35 ~ 80% RH | IP grade | IP 65 |
cable | Default is 0.6M, 4-core unshielded cable (can be customized according to customer requirements) | weight | About 150g |
Mode of connection
Supply voltage | order of connection | Indicator lamp status | Signal output level status | remarks (definition) | |||
VCC | GND | type | signal wire | red lantern | No shelter | There is shelter | |
red | black | Always Open | yellow | Dark→Bright | high level | low level | NPN(normally open) |
white | low level | high level | PNP(normally open) | ||||
black | red | Always closed | yellow | Dark→Bright | low level | high level | NPN(normal close) |
white | high level | low level | PNP(normal close) | ||||
English
简体中文
